进口不锈钢压力表
产品型号:
产品描述:
膜盒压力表采用膜盒作为测量微小压力的敏感元件。测量对铜合金不起腐蚀作用、无爆炸危险气体的微压和负压,广泛应用于锅炉通风、气体管道、燃烧装置等及其它类似设备上。精确度等级:2.5级。测量范围:0-1.6~0-60KPa, 0-250~0-40···
产品特点:
立即咨询咨询热线:17750010617
不锈钢膜盒压力表

FEBOK INDUSTRIAL GROUP 美国费博克工业集团产品应用:
膜盒压力表采用膜盒作为测量微小压力的敏感元件。测量对铜合金不起腐蚀作用、无爆炸危险气体的微压和负压,广泛应用于锅炉通风、气体管道、燃烧装置等及其它类似设备上。
精确度等级:2.5级。
测量范围:0-1.6~0-60KPa, 0-250~0-40000Pa。
正负压、负压。



膜盒压力表采用膜盒作为测量微小压力的敏感元件。测量对铜合金不起腐蚀作用、无爆炸危险气体的微压和负压,广泛应用于锅炉通风、气体管道、燃烧装置等其他类似设备上。
不锈钢膜盒压力表根据导压系统及外壳均采用不锈钢材料制成。应用于耐腐蚀要求较高的工艺流程中对各种气体介质的微压和负压的测量。
不锈钢膜盒压力表参照原膜盒压力表的结构特点而研制的具有耐腐蚀作用的微压表。应用于锅炉通风和气体管道等设备上,在耐腐要求较高的工艺流程中测量各种气体介质的微压和负压。精确度等级:2.5
结构原理:
仪表由测量系统(包括接头、波纹膜盒等),传动机构(包括拔杆机构,齿轮传动机构),指示部件(包括指针与度盘)和外壳(包括表壳、衬圈和表玻璃)所组 成。仪表的工作原理是基于波纹膜盒在被测介质的压力作用下,其自由端产生相应的弹性变形,再经齿轮传动机构的传动并予放大,由固定于齿轮轴上的指针逐将被 测值在度盘上指示出来。还有调零装置,可以方便调整零位。
膜盒压力表的测量范围在-80~60000Pa,但是要根据不同的压力量程选用不同的膜盒压力表,压力在-1000Pa~60000Pa时建议选用圆盘式膜盒压力表,如果压力在-80Pa时建议选用矩形膜盒压力表。
技术参数:
1.标度范围及精确度等级及重量
型号标度范围(KPA)精确度等级重量KG
YE-60
YE-100
YE-150正压负压正负压1.6
2.50.5
0~1.6-1~60-0.8~+0.8
0~2.5-2.5~0-1.2~+1.2
0~4-4~0-2~+2
0~6-6~0-3~+3
0~10-10~0-5~+5
1~6-16~0-8~+8
0~25-25~0-12~+12
0~40-40~0-20~+20
2. 测量范围:(kPa)
0~2.5;0~4;0~6;0~10;0~16;0~25;0~40;0~60;-2.5~0;-4~0;-6~0;-10~0;
-16~0;-25~0;-40~0;-2~2;-3~3;-5~5;-8~8;-12~12;-20~20 -30~30
3.使用环境条件:-25~55℃,相对湿度不大于80%
4.抗工作环境振动:V·H·3级
5.重量:0.5kg
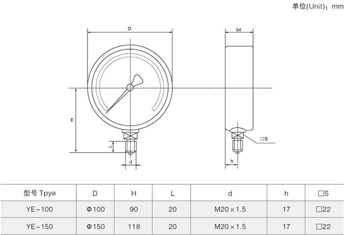
外形尺寸:
型号外形尺寸 mm
ABCDdd0G/Rc
YE-6031321460//14×1.5
Y-60T3132153.4
YE-60Z30320/
YE-60ZQ303203.4
YE-100444518100//
YE-100T4446195.5 20×1.5
YE-100Z434534/
YE-100ZQ4345445.5
YE-150504719150//
YE-150T5048205.5 20×1.5
YE-150Z514755/
YE-150ZQ514755/
注:连接螺纹可按要求订货.
工作位置、环境;仪表垂直安装;工作环境-25~55℃.相对湿度不大于80%,并且周围环境中不含有腐蚀仪表的有害气体;
产品应用:
微压表又称膜盒压力表适用于测星对不锈钢无腐蚀作用、无爆炸危险气体的微压或负压,以及测量管道终端风压及微小压力的显示,也用于测量锅炉通风、管道终端气压力显示,如工业加热系统、瓦斯燃烧设备、调压箱、调压站、燃烧器、风机、包装设备、烘焙设备、烘干隧道炉等,以及医用行业呼吸机、麻醉机等器械设备领域。带有过压保护功能,可有效防止过压造成仪表损坏,延长仪表使用寿命。









