进口法兰超低温止回阀
产品型号:
产品描述:
法兰超低温止回阀概述止回阀(又称单向阀或逆止阀)。止回阀是依靠自身阀瓣重量及或管路中介质本身的流动产生的力而自动开启和关闭的,属于一种自动阀门。主要用于介质单向流动的管道上,只允许介质向一个方向流动,而且阻止反方向流动,防止水逆流及降低水锤···
产品特点:
立即咨询咨询热线:17750010617
法兰超低温止回阀概述
止回阀(又称单向阀或逆止阀)。止回阀是依靠自身阀瓣重量及或管路中介质本身的流动产生的力而自动开启和关闭的,属于一种自动阀门。主要用于介质单向流动的管道上,只允许介质向一个方向流动,而且阻止反方向流动,防止水逆流及降低水锤所造成的管线损坏。
在低温领域需要专门设计的止回阀,以满足远低于冰点的温度要求。超低温止回阀的结构形式有升降式低温止回阀和旋启式低温止回阀两种。DH41F-40P超低温止回阀经特殊的低温处理,将粗加工的零件置于冷却介质中数小时(2-8小时),以释放应力,确保材料的低温性能,工作温度低至-196度。产品广泛应用于液化天然气、液化石油气、空分等低温行业。低温止回阀有二种阀盖设计形式。第一种是螺栓式阀盖,按这种设计形式设计的阀门,阀体与阀盖用螺栓螺母连接,缠绕式垫片密封。第二种设计形式是焊接式阀盖,按这种设计形式的阀门,阀体与阀盖用螺纹连接,全焊密封。
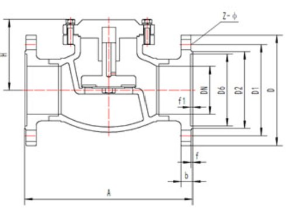
法兰超低温止回阀参数

法兰超低温止回阀尺寸











