进口侧进侧出型金属管浮子流量计
产品型号:
产品描述:
FEBOK INDUSTRIAL GROUP 美国费博克工业集团产品概述 / product introduction侧进测出型金属管浮子流量计适用于测量液体、气体。在测量管的设计上针对不同的管道条件、特殊流体的测量要求,配置了多种结构型式···
产品特点:
立即咨询咨询热线:17750010617
侧进侧出型金属管浮子流量计

产品概述
/ product introduction
FEBOK INDUSTRIAL GROUP 美国费博克工业集团侧进测出型金属管浮子流量计适用于测量液体、气体。在测量管的设计上针对不同的管道条件、特殊流体的测量要求,配置了多种结构型式的测量管,如保温夹套型、带阻尼器型等。除了标准的可选外,还可以为用户进行特殊设计,如高压型、高温型等,最大限度的满足用户的要求。侧进测出型金属管浮子流量计以其优良性能和可靠性,以及较好的 性能价格比,在石化、钢铁、电力、冶金、轻工、食品、制药、水处 理等行业得到了广泛的应用。
产品简介
/ product introduction侧进测出型金属管浮子流量计采用可变面积式测量原理,主要由三大基本部分组成:1、测量管体;2、锥形浮子;3、指示器。浮子的位移量与流量的大小成比例,通过磁耦合系统,以不接触方式,将浮子位移量传给指示器指示出流量的大小。也可配装不同的转换器,将流量值转换成标准如 4-20mA 电远传信号,实现远距离显示、记录、积算和控制等功能。
侧进测出型金属管浮子流量计适用于测量液体、气体。在测量管的设计上针对不同的管道条件、特殊流体的测量要求,配置了多种结构型式的测量管,如保温夹套型、带阻尼器型等。除了标准的可选外,还可以为用户进行特殊设计,如高压型、高温型等,最大限度的满足用户的要求。侧进测出型金属管浮子流量计以其优良性能和可靠性,以及较好的 性能价格比,在石化、钢铁、电力、冶金、轻工、食品、制药、水处 理等行业得到了广泛的应用。
产品特点
/ product characteristic●短行程,总高250mm,安装方便;
●全金属结构设计,坚固、简洁、耐高压、耐高温、防腐、使用寿命长;
●全金属结构设计,坚固、简洁、耐高压、耐高温、防腐、使用寿命长;
●具有数据恢复、数据备份、掉电保护及错误自诊断功能;
●智能型指示器,采用国外信号采集处理芯片,模块化设计,无磁滞后;
●机械指针现场指示瞬时流量,LCD液晶显示瞬时流量、累积流量;
●二线制24VDC供电,4~20mA标准电流信号;
●可用于易燃、易爆危险场合;
技术参数
/ technical parameters1、技术参数
2、流量范围
产品选型
/ product selection1、产品选型
2、安装方式及注意事项
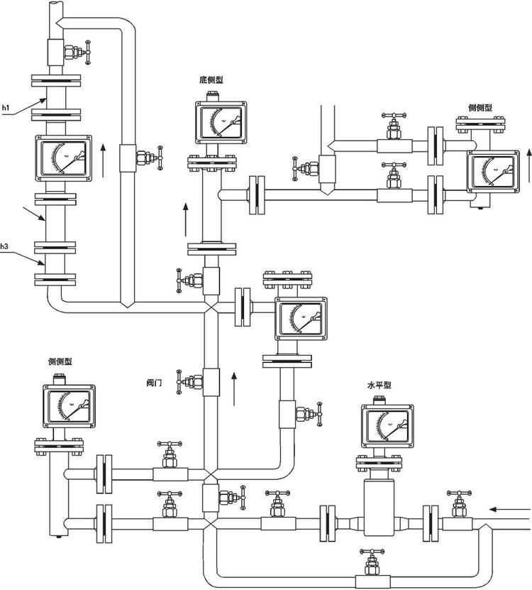
可根据现场工艺管道布局选择不同规格的流量计,其中垂直安装型是标准形式,其它形式的均为扩展型, 如现场许可,尽量选择垂直型。
各种安装形式的流量计安装方式可参考下面的示意图:
各种安装形式的流量计安装方式可参考下面的示意图:

●仪表到达现场,在安装到工艺管线之前,应开箱拆卸所有包装并仔细检查仪表是否有运输损坏。
●仪表在安装前,对工艺管线应进行吹扫清理,防止管道中留有铁磁性杂质附属在仪表的浮子上,影响仪表的正常测量,严重的会造成仪 表的损坏。
如果不能避免,应在仪表的入口安装磁过滤器 。
如果不能避免,应在仪表的入口安装磁过滤器 。
●由于仪表的测量机构采用磁传递和磁电信号处理器,为保证仪表的正常使用和性能,安装范围至少OOmm内不允许有铁磁性物质、强磁场和较强的
电磁场存在。
电磁场存在。
●安装在管道中的仪表,不应受到应力的作用,仪表的出入口,应有合理的管道支撑,使仪表在工艺管道上 受到最小的应力。
●仪表的安装分为水平安装和垂直安装,垂直安装的仪表,应保证仪表的垂直度,倾斜偏差不大于 3 度$水平安装的仪表 ,应保证仪表的水平直度
倾斜偏差不大于 3度。
倾斜偏差不大于 3度。
●仪表在安装时,上下游管道的口径应与仪表的口径梅同,连接法兰应相互匹配E 为保证仪表的测量精度 和稳定性,仪表上游直管段长度为仪表公称
口径的 5倍,下游直管段最小长度为 250mm。
口径的 5倍,下游直管段最小长度为 250mm。
●测量气体的仪表,如果仪表 直接向大气中排放气体,会造成仪表的数据失真甚 至仪表的损坏 。在这种工况条件下,应在仪表的出口处安装节流间。









